CS 240 Lab 4: ALU and Sequential Logic

Peter Mawhorter

How do Computers Work?

How do Computer Circuits Work?

  • Power flows through chips in the computer, creating patterns of activation driven by a clock and determined by logic gates.
    • Inputs like a keyboard feed into these patterns.
    • Some of these patterns drive outputs like a monitor.

How do Computers Represent Things?

  • High/low voltage patterns represent numbers in binary and/or symbols.
  • The computer performs basic operations with these numbers, like addition, through the use of specialized chips.
    • All other operations are built from a series of basic operations.

But what about… ?

  • Integrated circuits put together gates to perform various functions. Which circuits are used in a CPU, and what are their functions?
  • How do the integrated circuits for basic binary operations like addition work?
  • How are clock signals generated & managed in the computer?
  • How is memory implemented using gates?
  • How can we change what a computer does by writing a program, instead of having to re-wire it?

How does the OS Work?

  • When you boot the computer, it launches an operating system, which provides control interfaces.
    • Usually there is graphical output and keyboard or touch input.
    • Servers are controlled remotely via text (a shell/terminal/command line).
  • OS allows user to launch programs, including custom programs.
    • Programs are files on the computer.

But what about… ?

  • How does the “boot” process work? Where does the operating system actually start?
  • What language does the “shell” use? Why are shells still around when we have graphical interfaces?
  • How does one program launch another? How does the OS keep track of programs that are running? How do two programs run at the same time?
  • How do compliers actually work? How does our text written in a programming language turn into a program, and what does a “program” actually consist of?

What we’ll see today

  • How do the integrated circuits for basic binary operations like addition work?
  • How are clock signals generated & managed in the computer?
  • How is memory implemented using gates?

Outline

Arithmetic Logic Unit

Arithmetic Logic Unit

  • A multi-function circuit that operates on binary values A and B producing a result R.
  • 2-bit Op1/Op0 inputs select the operation: AND, OR, or +
    • NOR and - can be achieved using invertA and negateB
    • invertA just inverts each bit of A
    • negateB inverts each bit of B, and also sets the CarryIn bit

Arithmetic Logic Unit

  • Has CarryOut, Sign, Overflow, and Zero outputs in addition to the output bits R
    • CarryOut is the carry-out from addition (still present when a different operation is selected)
    • Sign is just the highest bit of R
    • Overflow is true when there’s two’s-complement overflow
    • Zero is true when all of the R bits are zero

Arithmetic Logic Unit

invA negB Op1 Op0 R
0 0 0 0 A AND B
0 0 0 1 A OR B
0 0 1 0 A + B
0 1 1 0 A - B
1 1 0 0 A NOR B

(other combinations are possible)

Arithmetic Logic Unit

An ALU symbol (trapezoid with a triangle cut out of the longer side) that has a pink heart drawn in the middle. 

The ALU is the heart of the computer: everything a computer does is a transformation of data, and the ALU is what performs those transformations.

Memory

Memory

  • Need to store + retrieve values for the ALU to work on
  • An SR latch can be “set” or “reset”
  • A D latch stores one bit of “data”
  • A D flip-flop reads only on the clock edge

Bistable Circuits

  • Until now, we solved for voltage
  • A bistable circuit has two different voltage patterns that are equally stable.
    • Must use assumptions to solve for voltage
    • Look for two different solutions

SR Latch

  • S sets the latch (Q=1)
  • R resets the latch (Q=0)
  • Q and Q’ should be opposites
    • Both are off when S=R=1
  • When S=R=0, it remembers
  • Race condition going from S=R=1to S=R=0

SR Latch Alternates

An SR latch created using an OR gate, and AND gate, and a NOT gate. The S signal feeds into one input of the OR gate, whose output feeds into the AND gate. Meanwhile, the other input of that AND gate is connected to the R input, but with a NOT gate on the way. The output Q is the output of the AND gate (there is no Q’ output for this diagram). The output Q is also fed back into the other input of the OR gate that S connects to. 

Simulation link (AND/OR version)

(This version is more stable)

Clocks

An rectangular metal package with rounded ends, with two metal connecting pins coming out of the bottom. The top is embossed with the number 14.31818. This is a 14.31818 MHz crystal resonator. 

  • Need to synchronize circuit changes
  • Want some parts to activate only when selected
  • A “clock” input can be either of these
  • Has to change from +5V to 0V quickly
  • Needs to be distributed to all parts of the processor
  • Can use ~30% of the power in a CPU

Clock Signals

A diagram of a clock signal. It shows a black line which moves up and down in rectangular segments as it goes from left to right, always at the same high or low height. A raised segment plus the following lowered segment together form a “clock period.” The raised and lowered segments aren’t necessarily the same length (in this picture the ratio is 3 raised to 2 lowered). When the signal moves from low to high, that’s the rising edge, and when it moves back low, that’s the falling edge. 

  • In each cycle the clock is on for a time and then off for a time
  • When the signal changes, that’s a rising or falling edge
  • The period is the time between rising edges
  • The frequency of the clock is 1/period

Clocked SR Latch

  • When clock is off, latch remembers
  • When clock is on, set and/or reset inputs can go in
  • “Clock” may really be “write”
  • Now if S=R=1 and we turn the clock off, we easily trigger the race condition

D Latch

  • When D is high, we have S=1 / R=0
  • When D is low, we have S=0 / R=1
  • S=R=1 is impossible
  • S=R=0 only when clock/write is low

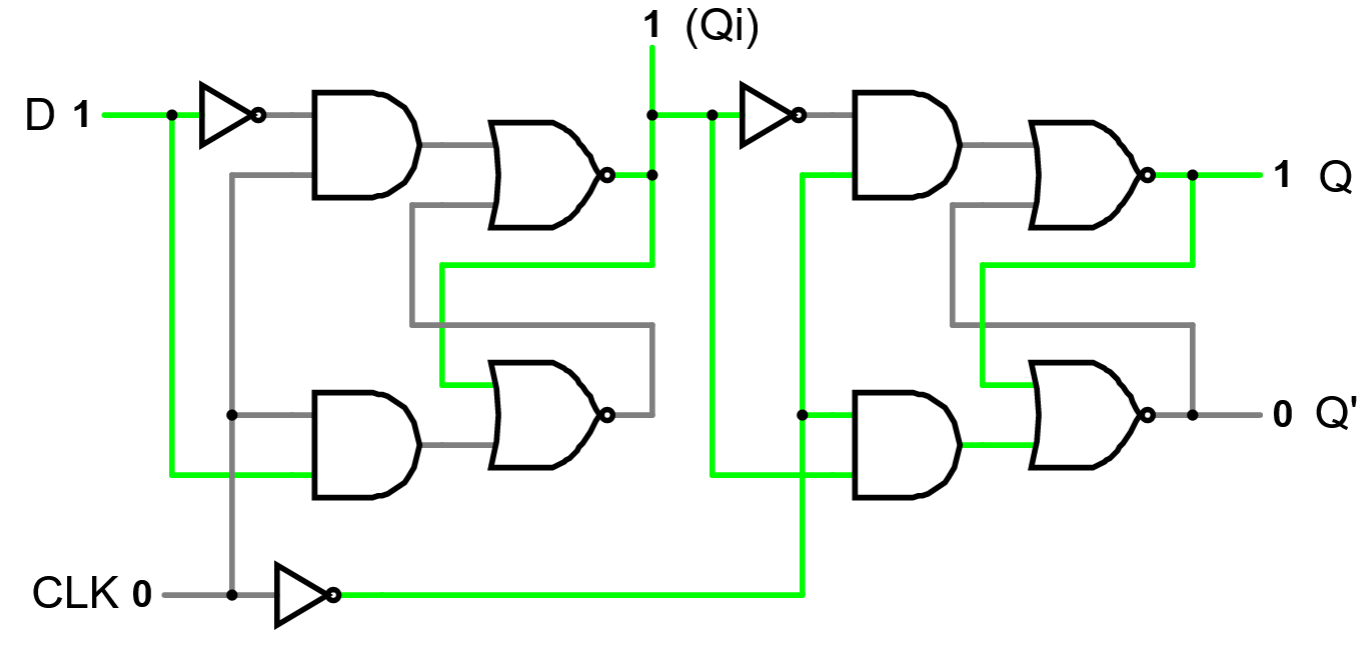
D Flip-Flop

  • Captures state of D at falling clock edge
  • Broadcasts old D value during entire clock ON pulse

Flip-Flop Timing

  • Clock goes ON (rising edge)
    • ALU etc. start their work to get results
    • Have until the end of the clock pulse to settle
    • Flip-flops still broadcast previous-cycle results
  • Clock goes OFF (falling edge)
    • Flip-flops capture new results
    • Stuff can settle down until next rising edge

Remember that “clock” could be “write data pulse.”

Memory Organization

Register Files

  • Multiple D flip-flops make up a register
    • Common clock input; different data inputs/outputs
  • A register file has multiple registers
    • Multiplexers & decoders select register(s) to write/read
    • Often has 2 output blocks & one input block since ALU needs 2 inputs and has 1 output each cycle.

RAM

  • Random Access Memory or RAM stores lots of data
    • Organized into n-bit words of data
    • Each word has an address
    • Same mechanisms as a register file
    • Different tech (bigger/slower/cheaper)